晶振分類
- 晶振系列
- 陶瓷晶振
- 陶瓷濾波器
- 微孔霧化片
- 希華晶體
- 石英晶振
- SMD晶振
- 聲表面諧振器
- NSK晶振
- TXC晶振
- 臺灣加高晶振
- 臺灣鴻星晶振
- 百利通亞陶晶振
- 臺灣泰藝晶振
- AKER晶振
- NKG晶振
- 進口晶振
- KDS晶振
- 精工晶振
- 村田晶振
- 西鐵城晶振
- 愛普生晶振
- 亞陶,嘉碩晶體
- CTS晶體
- 京瓷晶振
- NDK晶振
- 大河晶振
- 瑪居禮晶振
- 富士晶振
- NAKA晶振
- SMI晶振
- NJR晶振
- 移動設備
- 數碼電子
- 通信網絡
- 醫療電子
- 安防GPRS導航
- 汽車電子
- 歐美晶振
- Abracon晶振
- 康納溫菲爾德晶振
- 日蝕晶振
- ECS晶振
- 高利奇晶振
- 格林雷晶振
- IDT晶振
- JAUCH晶振
- Pletronics晶振
- 拉隆晶振
- Statek晶振
- SiTime晶振
- 維管晶振
- 瑞康晶振
- 微晶晶振
- AEK晶振
- AEL晶振
- Cardinal晶振
- Crystek晶振
- Euroquartz晶振
- Fox晶振
- Frequency晶振
- GEYER晶振
- KVG晶振
- ILSI晶振
- Mmdcomp晶振
- MtronPTI晶振
- QANTEK晶振
- QuartzCom晶振
- Quarztechnik晶振
- Suntsu晶振
- Transko晶振
- Wi2Wi晶振
- ACT晶振
- MTI-milliren晶振
- Lihom晶振
- Rubyquartz晶振
- Oscilent晶振
- SHINSUNG晶振
- ITTI晶振
- PDI晶振
- IQD晶振
- Microchip晶振
- Silicon晶振
- Anderson晶振
- Fortiming晶振
- CORE晶振
- NIPPON晶振
- NIC晶振
- QVS晶振
- Bomar晶振
- Bliley晶振
- GED晶振
- FILTRONETICS晶振
- STD晶振
- Q-Tech晶振
- Wenzel晶振
- NEL晶振
- EM晶振
- PETERMANN晶振
- FCD-Tech晶振
- HEC晶振
- FMI晶振
- Macrobizes晶振
- AXTAL晶振
- Sunny晶振
- ARGO晶振
- 石英晶體振蕩器
- 有源晶振
- 溫補晶振
- 壓控晶振
- 壓控溫補晶振
- 恒溫晶振
- 差分晶振
常見問題
更多>>
Abracon晶振作為一個解決方案供應商,Abracon的廣泛的產品線地址信號路徑,數據路徑和電源需求在最苛刻的應用.Abracon的新發布的IoT優化晶體系列專門設計用于解決越來越多的低功耗趨勢,從而導致設計人員在整個行業中面臨的跨導值下降.這些IoT優化的晶體與業界最低的gm_critical設計兼容.對于50MHz操作,ABM8W / ABM10W / ABM11W / ABM12W系列保證在gm_critical低至3.55mA / V的條件下工作. ABS06W / ABS07W系列保證工作在1.1μA/ V以上的gm_critical.鑒于許多常見的MCU,例如ST Micro系列STM32M4F / STM32F3 / STM32F4 / STM32L4,其在32.768kHz操作下在1μA/ V附近顯示gm_critical,使用非常低的鍍層晶體的關鍵性是巨大的. Abracon的新型IoT優化晶體系列目前在世界上提供了最低的負載電容選項.
“作為IoT™的心跳,我們力求為客戶提供盡可能多的工具和服務,將其設計帶入下一個低功率平臺. Abras的營銷總監Juan Conchas評論說,PAS測試服務可以在設計中對關鍵子系統進行驗證,因為如果石英晶體振蕩器無法運行,沒有任何操作.

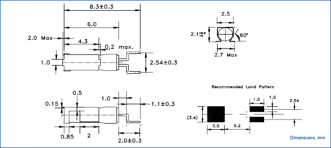
Abracon晶振,石英晶振,AB26TRJ晶振,插件石英晶振最適合用于比較低端的電子產品,比如兒童玩具,普通家用電器,即使在汽車電子領域中也能使產品高可靠性的使用.并且可用于安全控制裝置的CPU時鐘信號發生源部分,好比時鐘單片機上的石英晶振,在極端嚴酷的環境條件下,晶振也能正常工作,具有穩定的起振特性,高耐熱性,耐熱循環性和耐振性等的高可靠性能,由于在49/S形晶體諧振器的底部裝了樹脂底座,就可作為產品電氣特性和高可靠性無受損的表面貼片型晶體諧振器使用,
AT 切型晶振的晶片厚度為:t= 1670*n/ f 0,BT 切型石英晶振的晶片厚度為:t= 2560*n/ f 0,t: 晶振晶片厚度(mm) f 0 : 晶片標稱頻率(KHz) n: 泛音次數,晶振的腐蝕技術:用酸液腐蝕掉因研磨而產生的破壞層,消除晶片內應力,同時使石英晶振的晶片達到更準確的目標值.腐蝕頻率=(1000*(F/N)+(F 2 /N 2 )*PB)*N,F:石英晶振的標稱頻率. 如 14.318180 MHz,18.432000 MHz, 20.000000 MHz.N: 振動模式 Fund N=1、 3Rd N=3,PB:貼片晶振腐蝕反饋系數.一般在 0.5—1.5 之間.頻率低系數大,頻率高系數小.石英晶振的清洗:清洗掉石英晶振晶片表面的酸液和其它雜質.以被用于制造圓柱插件晶振和石英晶體振蕩器.
ABRACON晶振 | 單位 | AB26TRJ晶振 | 石英晶振基本條件 |
標準頻率 | f_nom | 32.768kHz / 25kHz to 200kHz | 標準頻率 |
儲存溫度 | T_stg | -55C ~ +125°C | 裸存 |
工作溫度 | T_use | -40°C ~ +85°C | 標準溫度 |
激勵功率 | DL | 1μW | 推薦:1μW ~ 100μW |
頻率公差 | f_— l | ± 20 ppm max. for 32.768KHz / ± 30 ppm max. for 25kHz to 200kHz |
+25°C 對于超出標準的規格說明, 請聯系我們以便獲取相關的信息, http://www.aussielandgroup.com/ |
頻率溫度特征 | f_tem | -0.034 ± 0.006ppm/°C2 | 超出標準的規格請聯系我們. |
負載電容 | CL | 12.5pF | 不同負載要求,請聯系我們. |
串聯電阻(ESR) | R1 | 如下表所示 | -40°C — +85°C, DL = 100μW |
頻率老化 | f_age | ±3 × 10-6 / year Max. |
+25°C,第一年 |



產品的玻璃部分直接彎曲引腳或用力拉伸引腳會導致在引腳根部發生密封玻璃分裂(開裂),也可能導致氣密性和產品特性受到破壞.當石英水晶振動子產品的引腳需彎曲成下圖所示形狀時,應在這種場景下留出0.5mm的引腳并將其托住,以免發生分裂.當該引腳需修復時,請勿拉伸,托住彎曲部分進行修正.在該密封部分上施加一定壓力,會導致氣密性受到損壞.所以在此處請不要施加壓力.另外,為避負機器共振造成引腳疲勞切斷,建議用粘著劑將產品固在定電路板上.Abracon晶振,石英晶振,AB26TRJ晶振.
自動安裝和真空化引發的沖擊會破壞產品特性并影響這些進口晶體振蕩器.請設置安裝條件以盡可能將沖擊降至最低,并確保在安裝前未對產品特性產生影響.條件改變時,請重新檢查安裝條件.同時,在安裝前后,請確保石英晶振未撞擊機器或其他電路板等.
在更高或更低溫度或高濕度環境下長時間保存進口貼片晶振產品時,會影響頻率穩定性或焊接性.請在正常溫度和濕度環境下保存這些晶體產品,并在開封后盡可能進行安裝,以免長期儲藏.
在更高或更低溫度或高濕度環境下長時間保存進口貼片晶振產品時,會影響頻率穩定性或焊接性.請在正常溫度和濕度環境下保存這些晶體產品,并在開封后盡可能進行安裝,以免長期儲藏.

Abracon晶振集團將確保其無源插件晶振產品及相關設施滿足甚至超出國家的、州立的以及地方環保機構的相關法規規定及其他要求,同時該公司盡可能的參與并協助政府機關和其他官方組織從事的環?;顒? 在地方對各項設施的管理責任中,確保滿足方針的目標指標,同時在各種經營與生產活動中完全遵守并符合現行所有標準規范的要求.努力改進我們的操作.我公司將積極參與加強公眾環境、健康和安全意識的活動,提高公眾對普遍的環境、健康和安全問題的注意. Abracon晶振,石英晶振,AB26TRJ晶振.
Abracon晶振所有的經營組織都將積極應用國際標準以及適用的法律法規.為促進合理有效的公共政策的制訂實施加強戰略聯系.消除事故和環境方面的偶發事件,減少廢物的產生和排放,有效的使用能源和各種自然資源,在業務活動中,努力節約32.768k彎腳晶振原材料資源并節省能源,致力于減少廢棄物和再生資源的回收利用.在積極公開有關環境的信息的同時,通過支持環?;顒?廣泛地為社會作貢獻.致力于保護生物多樣性和可持續利用.


深圳市兆現電子有限公司
聯系人:龔成
電話:0755--27876236聯系人:龔成
QQ:769468702
手機:13590198504
郵箱:zhaoxiandz@163.com
網站:http://www.aussielandgroup.com/