晶振分類
- 晶振系列
- 陶瓷晶振
- 陶瓷濾波器
- 微孔霧化片
- 希華晶體
- 石英晶振
- SMD晶振
- 聲表面諧振器
- NSK晶振
- TXC晶振
- 臺灣加高晶振
- 臺灣鴻星晶振
- 百利通亞陶晶振
- 臺灣泰藝晶振
- AKER晶振
- NKG晶振
- 進口晶振
- KDS晶振
- 精工晶振
- 村田晶振
- 西鐵城晶振
- 愛普生晶振
- 亞陶,嘉碩晶體
- CTS晶體
- 京瓷晶振
- NDK晶振
- 大河晶振
- 瑪居禮晶振
- 富士晶振
- NAKA晶振
- SMI晶振
- NJR晶振
- 移動設備
- 數碼電子
- 通信網絡
- 醫療電子
- 安防GPRS導航
- 汽車電子
- 歐美晶振
- Abracon晶振
- 康納溫菲爾德晶振
- 日蝕晶振
- ECS晶振
- 高利奇晶振
- 格林雷晶振
- IDT晶振
- JAUCH晶振
- Pletronics晶振
- 拉隆晶振
- Statek晶振
- SiTime晶振
- 維管晶振
- 瑞康晶振
- 微晶晶振
- AEK晶振
- AEL晶振
- Cardinal晶振
- Crystek晶振
- Euroquartz晶振
- Fox晶振
- Frequency晶振
- GEYER晶振
- KVG晶振
- ILSI晶振
- Mmdcomp晶振
- MtronPTI晶振
- QANTEK晶振
- QuartzCom晶振
- Quarztechnik晶振
- Suntsu晶振
- Transko晶振
- Wi2Wi晶振
- ACT晶振
- MTI-milliren晶振
- Lihom晶振
- Rubyquartz晶振
- Oscilent晶振
- SHINSUNG晶振
- ITTI晶振
- PDI晶振
- IQD晶振
- Microchip晶振
- Silicon晶振
- Anderson晶振
- Fortiming晶振
- CORE晶振
- NIPPON晶振
- NIC晶振
- QVS晶振
- Bomar晶振
- Bliley晶振
- GED晶振
- FILTRONETICS晶振
- STD晶振
- Q-Tech晶振
- Wenzel晶振
- NEL晶振
- EM晶振
- PETERMANN晶振
- FCD-Tech晶振
- HEC晶振
- FMI晶振
- Macrobizes晶振
- AXTAL晶振
- Sunny晶振
- ARGO晶振
- 石英晶體振蕩器
- 有源晶振
- 溫補晶振
- 壓控晶振
- 壓控溫補晶振
- 恒溫晶振
- 差分晶振
常見問題
更多>>
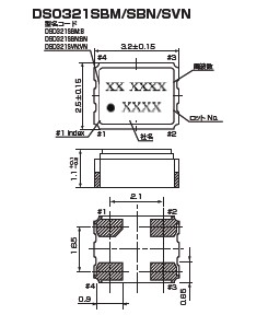
大真空DSO321SBM晶振,貼片晶振,外圍設備晶振,小型SMD接縫密封石英晶體振蕩器,小尺寸3225mm,低消耗電流(5V類型),帶三態功能,5V通用類型振蕩器,精度高,覆蓋頻率范圍寬的特點,自動安裝和回流焊設計,Optionable待機輸出三態輸出功能,電源電壓范圍:1.8V~5 V,高穩定性,低抖動,低功耗,主要應用領域:無線通訊,手機,筆記本PC和LCDM.
.jpg)

.jpg)

.jpg)
.png)


Daishiku靈活地應對不斷變化的社會需求,以市場為導向的方法的核心.我們的專家人員積極參與開發新產品,滿足市場的需求,根據他們的深刻洞察消費者的需求.我們正在開發的產品與《紐約時報》及時,從較小的移動終端到下一代智能電網所代表的工業基礎設施.我們將繼續致力于從事研究和開發高質量的石英裝置.

DAISHINKU組有助于創建一個通過環境保護活動逐步發展中社會與環境的和諧.遵守法律和監管要求,DAISHINKU觀察法規和監管要求,從事環保產品的開發.在所有領域的業務活動,從開發,生產和銷售水晶的應用產品,Daishinku集團業務策略促進普遍信任的環境管理活動.
電話:0755--27876236
QQ:769468702
手機:13590198504
郵箱:zhaoxiandz@163.com
網站:http://www.aussielandgroup.com/
地址:深圳市南山南頭關口8棟
.jpg)
QQ:769468702
手機:13590198504
郵箱:zhaoxiandz@163.com
網站:http://www.aussielandgroup.com/
地址:深圳市南山南頭關口8棟