晶振分類
- 晶振系列
- 陶瓷晶振
- 陶瓷濾波器
- 微孔霧化片
- 希華晶體
- 石英晶振
- SMD晶振
- 聲表面諧振器
- NSK晶振
- TXC晶振
- 臺灣加高晶振
- 臺灣鴻星晶振
- 百利通亞陶晶振
- 臺灣泰藝晶振
- AKER晶振
- NKG晶振
- 進口晶振
- KDS晶振
- 精工晶振
- 村田晶振
- 西鐵城晶振
- 愛普生晶振
- 亞陶,嘉碩晶體
- CTS晶體
- 京瓷晶振
- NDK晶振
- 大河晶振
- 瑪居禮晶振
- 富士晶振
- NAKA晶振
- SMI晶振
- NJR晶振
- 移動設備
- 數碼電子
- 通信網絡
- 醫療電子
- 安防GPRS導航
- 汽車電子
- 歐美晶振
- Abracon晶振
- 康納溫菲爾德晶振
- 日蝕晶振
- ECS晶振
- 高利奇晶振
- 格林雷晶振
- IDT晶振
- JAUCH晶振
- Pletronics晶振
- 拉隆晶振
- Statek晶振
- SiTime晶振
- 維管晶振
- 瑞康晶振
- 微晶晶振
- AEK晶振
- AEL晶振
- Cardinal晶振
- Crystek晶振
- Euroquartz晶振
- Fox晶振
- Frequency晶振
- GEYER晶振
- KVG晶振
- ILSI晶振
- Mmdcomp晶振
- MtronPTI晶振
- QANTEK晶振
- QuartzCom晶振
- Quarztechnik晶振
- Suntsu晶振
- Transko晶振
- Wi2Wi晶振
- ACT晶振
- MTI-milliren晶振
- Lihom晶振
- Rubyquartz晶振
- Oscilent晶振
- SHINSUNG晶振
- ITTI晶振
- PDI晶振
- IQD晶振
- Microchip晶振
- Silicon晶振
- Anderson晶振
- Fortiming晶振
- CORE晶振
- NIPPON晶振
- NIC晶振
- QVS晶振
- Bomar晶振
- Bliley晶振
- GED晶振
- FILTRONETICS晶振
- STD晶振
- Q-Tech晶振
- Wenzel晶振
- NEL晶振
- EM晶振
- PETERMANN晶振
- FCD-Tech晶振
- HEC晶振
- FMI晶振
- Macrobizes晶振
- AXTAL晶振
- Sunny晶振
- ARGO晶振
- 石英晶體振蕩器
- 有源晶振
- 溫補晶振
- 壓控晶振
- 壓控溫補晶振
- 恒溫晶振
- 差分晶振
常見問題
更多>>
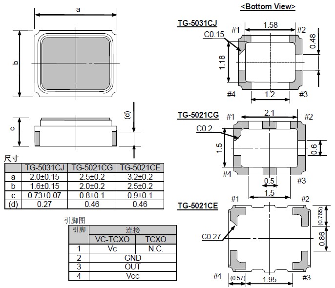
溫補晶體振蕩器,貼片晶振TG-5021CG,愛普生GPS晶振,EPSON溫補石英晶體振蕩器,TCXO產品特點超小尺寸,高精度和高性能.是專門針對網絡設備而設計的,溫補晶振(TCXO)產品"X1G003581003500"本身具有溫度補償作用,高低溫度穩定性:頻率精度高0.5PPM~2.0PPM,常用頻率:26M,33.6M,38.4M,40M.因產品性能穩定,精度高等優勢,被廣泛應用到一些比較高端的數碼通訊產品領域,GPS全球定位系統,智能手機,WiMAX和無線通信等產品,符合RoHS/無鉛.
.jpg)
愛普生晶振參數 | TG-5021CG | |
頻率范圍 | f0 | 13.0 MHz ~ 52.0 MHz |
電源電壓 | VCC | 2.8 V±0.14 V (電源電壓范圍:2.3 V ~ 3.6 V) |
儲存溫度 | T_stg | -40°C ~ +85°C |
工作溫度范圍 | T_use | -30℃C ~ +85℃ |
頻率公差 | f_tol | ±2.0×10-6 Max. |
電流消耗 | ICC | 2.0mA Max. |
輸入電阻 | Rin | 500 kΩ Min. |
占空比 | SYM | 45 % to 60 % |
頻率負載變動特征 | f0-Load | ±0.2×10-6 Max. |
頻率電源電壓特征 | f0-VCC | ±0.2×10-6 Max. |
頻率控制范圍 | f_cont | ±5.0×10-6 ~ ±12.0×10-6 |
頻率變化極 | —— | 正極 |
輸出負載情況 | L_ECL | 50Ω |
輸出電壓 | Vpp | 0.8 V Min. |
輸出負載電容 | Load_R | 10 pF |
輸出負載電阻 | Load_C | 10 kΩ |
頻率老化 | f_aging | ±1.5 ×10-6 Max. |
.jpg)

.jpg)
目前常見的產品可靠性試驗有:
高溫儲存試驗 125℃±10℃;1000H±24H
溫度循環試驗 T1 = -55℃±10℃ T2= 125℃±10℃;循環次數10次.(溫度轉換約30分鐘)
溫度沖擊試驗 T1 = -55℃±10℃ T2= 125℃±10℃;循環次數10次.(溫度轉換時間5秒)
恒溫恒濕試驗 TC 85±10℃ H 85% ;1000H±24H
可焊性(焊錫)試驗 230±10℃;3 s"X1G003581003500"
耐焊接試驗 260±10℃;10 s
跌落試驗 75 cm;3 次.
振動試驗 頻率10 Hz — 2000 Hz;振幅 1.5 mm;每方向 40 分鐘.
老化率試驗 TC 85±10℃;300 H
壽命試驗(MTBF);85℃or125℃;1000H;利用公式及失效產品數計算出產品模擬壽命.

