晶振分類
- 晶振系列
- 陶瓷晶振
- 陶瓷濾波器
- 微孔霧化片
- 希華晶體
- 石英晶振
- SMD晶振
- 聲表面諧振器
- NSK晶振
- TXC晶振
- 臺灣加高晶振
- 臺灣鴻星晶振
- 百利通亞陶晶振
- 臺灣泰藝晶振
- AKER晶振
- NKG晶振
- 進口晶振
- KDS晶振
- 精工晶振
- 村田晶振
- 西鐵城晶振
- 愛普生晶振
- 亞陶,嘉碩晶體
- CTS晶體
- 京瓷晶振
- NDK晶振
- 大河晶振
- 瑪居禮晶振
- 富士晶振
- NAKA晶振
- SMI晶振
- NJR晶振
- 移動設備
- 數碼電子
- 通信網絡
- 醫療電子
- 安防GPRS導航
- 汽車電子
- 歐美晶振
- Abracon晶振
- 康納溫菲爾德晶振
- 日蝕晶振
- ECS晶振
- 高利奇晶振
- 格林雷晶振
- IDT晶振
- JAUCH晶振
- Pletronics晶振
- 拉隆晶振
- Statek晶振
- SiTime晶振
- 維管晶振
- 瑞康晶振
- 微晶晶振
- AEK晶振
- AEL晶振
- Cardinal晶振
- Crystek晶振
- Euroquartz晶振
- Fox晶振
- Frequency晶振
- GEYER晶振
- KVG晶振
- ILSI晶振
- Mmdcomp晶振
- MtronPTI晶振
- QANTEK晶振
- QuartzCom晶振
- Quarztechnik晶振
- Suntsu晶振
- Transko晶振
- Wi2Wi晶振
- ACT晶振
- MTI-milliren晶振
- Lihom晶振
- Rubyquartz晶振
- Oscilent晶振
- SHINSUNG晶振
- ITTI晶振
- PDI晶振
- IQD晶振
- Microchip晶振
- Silicon晶振
- Anderson晶振
- Fortiming晶振
- CORE晶振
- NIPPON晶振
- NIC晶振
- QVS晶振
- Bomar晶振
- Bliley晶振
- GED晶振
- FILTRONETICS晶振
- STD晶振
- Q-Tech晶振
- Wenzel晶振
- NEL晶振
- EM晶振
- PETERMANN晶振
- FCD-Tech晶振
- HEC晶振
- FMI晶振
- Macrobizes晶振
- AXTAL晶振
- Sunny晶振
- ARGO晶振
- 石英晶體振蕩器
- 有源晶振
- 溫補晶振
- 壓控晶振
- 壓控溫補晶振
- 恒溫晶振
- 差分晶振
常見問題
更多>>
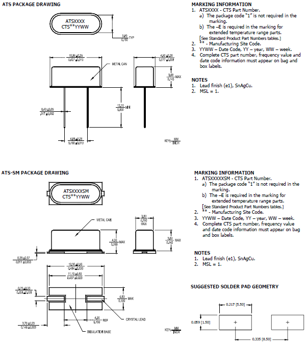
CTS晶振,石英晶振,ATS晶振,聲表面諧振器超小型表面貼片型SMD晶振,最適合使用在汽車電子領域中,也是特別要求高可靠性的引擎控制用CPU的時鐘部分。
人工培植石英晶體振蕩器,在經過高壓釜人工種植石英晶棒,取出晶棒,首先對晶棒定向,在對晶棒切割,在把切割下來的晶片定向,在對石英晶片的厚度分選,對晶片的粗磨,在對晶片的中磨,在精細磨,對晶片改園,切割磨邊,滾筒道邊,對晶片腐蝕,在對晶片頻率分選,早期晶片頻率分選都是靠人工,現在都是投入機器自動分選了,經過這么多道復雜的工序,這樣晶片的制作算是全部完成了。.jpg)
.jpg)
|
.jpg)
.png)
.jpg)

1.使用環境(溫度和濕度)
在規定的溫度范圍內使用石英晶振。這個溫度涉及本體的和季節變化的溫度。在高濕環境下,會由于凝露引起故障。請避免凝露的產生。
2.激勵功率
在晶振上施加過多驅動力,會導致產品特性受到損害或破壞。電路設計必須能夠維持適當的激勵功率
3.負極電阻
除非石英晶體振蕩器回路中分配足夠多的負極電阻,否則振蕩或振蕩啟動時間可能會增加(請參閱“關于振蕩”章節內容)。
4.負載電容
有源晶振振蕩電路中負載電容的不同,可能導致振蕩頻率與設計頻率之間產生偏差。試圖通過強力調整,可能只會導致不正常的振蕩。在使用之前,請指明該振動電路的負載電容。


CTS晶振,石英晶振,ATS晶振,石英晶體諧振器,CTS晶振公司集團作為“地球內企業”,在保護地球環境方面發揮著領導作用。我們尊重歷史、文化和傳統的多樣性,并致力于“CSR經營”和“環境經營”。為取得社會的信任,為推動環境負荷最小化。
CTS美國進口晶振集團在“制造、使用、有效利用、再利用”這樣一個產品生命周期中,努力創造豐富的價值,給社會帶來溫馨和安寧,感動和驚喜,同時為減少環境影響,努力做好“防止地球變暖、有效利用資源、對化學物質進行管理”,實現與地球的和諧相處。

CTS晶振公司為信息技術和電信市場提供貼片晶振,溫補晶振,石英晶體振蕩器等多種電子元件。這些石英晶振可以在宏小區基站發現,小蜂窩基站、衛星通信系統、回程通信的應用,以及無線和有線基礎設施。
.jpg)
電話:0755--27876236
QQ:769468702