晶振分類
- 晶振系列
- 陶瓷晶振
- 陶瓷濾波器
- 微孔霧化片
- 希華晶體
- 石英晶振
- SMD晶振
- 聲表面諧振器
- NSK晶振
- TXC晶振
- 臺灣加高晶振
- 臺灣鴻星晶振
- 百利通亞陶晶振
- 臺灣泰藝晶振
- AKER晶振
- NKG晶振
- 進口晶振
- KDS晶振
- 精工晶振
- 村田晶振
- 西鐵城晶振
- 愛普生晶振
- 亞陶,嘉碩晶體
- CTS晶體
- 京瓷晶振
- NDK晶振
- 大河晶振
- 瑪居禮晶振
- 富士晶振
- NAKA晶振
- SMI晶振
- NJR晶振
- 移動設備
- 數碼電子
- 通信網絡
- 醫療電子
- 安防GPRS導航
- 汽車電子
- 歐美晶振
- Abracon晶振
- 康納溫菲爾德晶振
- 日蝕晶振
- ECS晶振
- 高利奇晶振
- 格林雷晶振
- IDT晶振
- JAUCH晶振
- Pletronics晶振
- 拉隆晶振
- Statek晶振
- SiTime晶振
- 維管晶振
- 瑞康晶振
- 微晶晶振
- AEK晶振
- AEL晶振
- Cardinal晶振
- Crystek晶振
- Euroquartz晶振
- Fox晶振
- Frequency晶振
- GEYER晶振
- KVG晶振
- ILSI晶振
- Mmdcomp晶振
- MtronPTI晶振
- QANTEK晶振
- QuartzCom晶振
- Quarztechnik晶振
- Suntsu晶振
- Transko晶振
- Wi2Wi晶振
- ACT晶振
- MTI-milliren晶振
- Lihom晶振
- Rubyquartz晶振
- Oscilent晶振
- SHINSUNG晶振
- ITTI晶振
- PDI晶振
- IQD晶振
- Microchip晶振
- Silicon晶振
- Anderson晶振
- Fortiming晶振
- CORE晶振
- NIPPON晶振
- NIC晶振
- QVS晶振
- Bomar晶振
- Bliley晶振
- GED晶振
- FILTRONETICS晶振
- STD晶振
- Q-Tech晶振
- Wenzel晶振
- NEL晶振
- EM晶振
- PETERMANN晶振
- FCD-Tech晶振
- HEC晶振
- FMI晶振
- Macrobizes晶振
- AXTAL晶振
- Sunny晶振
- ARGO晶振
- 石英晶體振蕩器
- 有源晶振
- 溫補晶振
- 壓控晶振
- 壓控溫補晶振
- 恒溫晶振
- 差分晶振
常見問題
更多>>
SiTime擁有一個世界級的模擬工程團隊,該團隊提供了業內最高的性能和最靈活的石英晶體振蕩器。自2006年我們的第一次產品介紹以來,我們改進了頻率穩定性性能250次(以性能指標衡量),改進了抖動性能800次,改善了艾倫偏差3萬次,并改善了功耗100次,同時保持了我們的產品的靈活性和可靠性。SiTime最近的精英平臺就是這樣一個例子——基于這種架構的產品提供了最好的動態性能和更多的特性,而不是市場上的任何振蕩器。
除了MEMS和模擬電路的專業知識外,SiTime晶振公司還具備以優異的質量和可靠性交付大量產品的能力。這種能力來自于我們的裝配、測試和校準技術,使我們能夠提供一個完全集成的解決方案,完全可以與行業標準的腳印相兼容。這種兼容性允許客戶快速地采用MEMS的定時解決方案,并且風險最小。

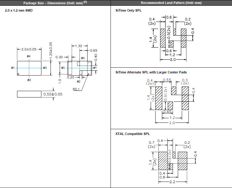
SiTime晶振,貼片晶振,SiT1533晶振,小型SMD有源晶振,從最初超大體積到現在的7050mm,6035mm,5032mm,3225mm,2520mm體積,有著翻天覆地的改變,體積的變小也試產品帶來了更高的穩定性能,接縫密封石英晶體振蕩器,精度高,覆蓋頻率范圍寬的特點,SMD高速自動安裝和高溫回流焊設計,Optionable待機輸出三態輸出功能,電源電壓范圍:1.8V?5 V,高穩定性,低抖動,低功耗,主要應用領域:無線通訊,高端智能手機,平板筆記本WLAN,藍牙,數碼相機,DSL和其他IT產品的晶振應用,三態功能,PC和LCDM等高端數碼領域,符合RoHS/無鉛.
石英晶振產品電極的設計:石英晶振產品的電極對于石英晶體元器件來講作用是1.改變頻率;2.往外界引出電極;3.改變電阻;4.抑制雜波.第1、2、3項相對簡單,第4項的設計很關鍵,電極的形狀、尺寸、厚度以及電極的種類(如金、銀等)都會導致第4項的變化.特別是隨著晶振的晶片尺寸的縮小對于晶片電極設計的形狀及尺寸和精度上都有更高的要求---公差大小、位置的一致性等對晶振產品的影響的程度增大,故對電極的設計提出了更精準的要求.SiT1533晶振,2012有源晶振,32.768K振蕩器
|



清洗
關于一般清洗液的使用以及超聲波清洗沒有問題,但這僅僅是對單個石英晶體產品進行試驗所得的結果,因此請根據實際使用狀態進行確認.由于音叉型晶體諧振器的頻率范圍和超聲波清洗機的清洗頻率很近,容易受到共振破壞,因此請盡可能避免超聲波清洗.若要進行超聲波清洗,必須事先根據實際使用狀態進行確認.SiT1533晶振,2012有源晶振,32.768K振蕩器
撞擊
雖然石英晶體諧振器產品在設計階段已經考慮到其耐撞擊性,但如果掉到地板上或者受到過度的撞擊,以防萬一還是要檢查特性后再使用.SiTime晶振,貼片晶振,SiT1533晶振
SMD產品
SMD晶體產品支持自動貼裝,但還是請預先基于所使用的搭載機實施搭載測試,確認其對特性沒有影響. 在切斷工序等會導致基板發生翹曲的工序中,請注意避免翹曲影響到產品的特性以及軟焊. 基于超聲波焊接的貼裝以及加工會使得貼片晶體產品(諧振器、振蕩器、濾波器)內部傳播過大的振動,有可能導致特性老化以及引起不振蕩,因此不推薦使用.

美國SiTime晶振遵守法規和監管要求,從事環保硅晶振產品的開發.環境政策,在其業務活動的所有領域,從開發、生產和銷售的壓電石英晶體元器件、壓電石英晶體、有源晶體、壓電陶瓷諧振器,集團業務政策促進普遍信任的環境管理活動.通過適當控制環境影響的物質,減少能源的使用,以達到節約能源和節約資源的目的.SiTime晶振,貼片晶振,SiT1533晶振
SiTime晶振集團將確保其32.768KHZ晶振產品及相關設施滿足甚至超出國家的、州立的以及地方環保機構的相關法規規定及其他要求,同時該公司盡可能的參與并協助政府機關和其他官方組織從事的環?;顒? 在地方對各項設施的管理責任中,確保滿足方針的目標指標,同時在各種經營與生產活動中完全遵守并符合現行所有標準規范的要求.SiT1533晶振,2012有源晶振,32.768K振蕩器
SiTime晶振所有的經營組織都將積極應用國際標準以及適用的法律法規.為促進合理有效的公共政策的制訂實施加強戰略聯系.消除事故和環境方面的偶發事件,減少OSC晶振生產廢物的產生和排放,有效的使用能源和各種自然資源,對緊急事件做好充分準備,以便及時做出反應.


深圳市兆現電子有限公司
聯系人:龔成
電話:0755--27876236聯系人:龔成
QQ:769468702
手機:13590198504
郵箱:zhaoxiandz@163.com
網站:http://www.aussielandgroup.com/