企業博客
更多>>石英晶體振蕩器的電路輸出及附加控制功能
來源:http://www.aussielandgroup.com 作者:兆現電子 2016年06月02
由于石英晶體振蕩器具有良好的穩定性,在通信、測量、時鐘、控制等領域得到了廣泛的應用,對高精度的頻率輸出.隨著頻率穩定性的要求越來越嚴格,在許多場合中,選擇購買振蕩器的頻率比晶體單元要好,可以很容易地獲得具有高穩定性的頻率輸出,而只提供給振蕩器.這里我們要提到的是,石英晶體振蕩器是指晶體單元的聯合單位和反饋電路的放大器.
石英晶體振蕩器的主要類型:
1.一般的石英晶體振蕩器:
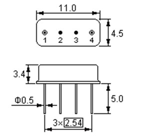
基本上這種振蕩器是由晶體單元和反饋放大器組成的晶體單元.有不同的輸出波對應于不同的應用.
.jpg)
2.電壓控制振蕩器:
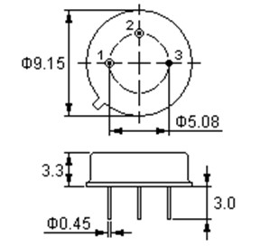
壓控石英晶體振蕩器是利用外部控制電壓,一般的石英晶體振蕩器的輸出頻率可調的附加控制功能的振蕩器.
.jpg)
3.電壓控制TCXO晶振:
.jpg)
.jpg)
影響頻率穩定性的最大因素是溫度特性.在溫度補償電路的幫助下,該振蕩器實現了溫度特性的高穩定化.由于采用了指定的溫度補償電壓,振蕩器可以輸出更穩定的頻率與環境溫度.主要用于移動通信設備頻率合成器的標準振蕩器.PDC(個人數字蜂窩)、GSM(全球移動通信系統)、GPS(全球定位系統)等要求的+ / -2.5ppm最大溫度穩定性高頻率.這樣的要求不能滿足于切割晶體單元.此外,不同晶體單元在溫度特性上存在著細微的差別.因此,需要對溫度補償電路進行補償以獲得較高的溫度穩定性.
石英晶體振蕩器的主要類型:
1.一般的石英晶體振蕩器:
基本上這種振蕩器是由晶體單元和反饋放大器組成的晶體單元.有不同的輸出波對應于不同的應用.
.jpg)
2.電壓控制振蕩器:
壓控石英晶體振蕩器是利用外部控制電壓,一般的石英晶體振蕩器的輸出頻率可調的附加控制功能的振蕩器.
.jpg)
3.電壓控制TCXO晶振:
.jpg)
.jpg)
影響頻率穩定性的最大因素是溫度特性.在溫度補償電路的幫助下,該振蕩器實現了溫度特性的高穩定化.由于采用了指定的溫度補償電壓,振蕩器可以輸出更穩定的頻率與環境溫度.主要用于移動通信設備頻率合成器的標準振蕩器.PDC(個人數字蜂窩)、GSM(全球移動通信系統)、GPS(全球定位系統)等要求的+ / -2.5ppm最大溫度穩定性高頻率.這樣的要求不能滿足于切割晶體單元.此外,不同晶體單元在溫度特性上存在著細微的差別.因此,需要對溫度補償電路進行補償以獲得較高的溫度穩定性.
正在載入評論數據...
相關資訊
- [2025-09-30]NX5032GA-8MHZ-STD-CSK-7陶瓷50...
- [2025-09-29]普銳特LV7745DEV-100.0M-T250 7...
- [2025-09-28]1TJH125DR1A0004 DST1610A 32.7...
- [2025-09-25]1XXA19200MEA日本KDS壓控溫補晶...
- [2025-09-17]KDS大真空1XXD32000MBA與1XXD32...
- [2025-09-08]格耶Geyer的KX-327NHT晶振為設備...
- [2025-08-21]7EG02600A0S日本KDS小尺寸溫補晶...
- [2025-08-20]FL1600151 3225 16MHZ 10PF亞陶...