晶振分類
- 晶振系列
- 陶瓷晶振
- 陶瓷濾波器
- 微孔霧化片
- 希華晶體
- 石英晶振
- SMD晶振
- 聲表面諧振器
- NSK晶振
- TXC晶振
- 臺灣加高晶振
- 臺灣鴻星晶振
- 百利通亞陶晶振
- 臺灣泰藝晶振
- AKER晶振
- NKG晶振
- 進口晶振
- KDS晶振
- 精工晶振
- 村田晶振
- 西鐵城晶振
- 愛普生晶振
- 亞陶,嘉碩晶體
- CTS晶體
- 京瓷晶振
- NDK晶振
- 大河晶振
- 瑪居禮晶振
- 富士晶振
- NAKA晶振
- SMI晶振
- NJR晶振
- 移動設備
- 數碼電子
- 通信網絡
- 醫療電子
- 安防GPRS導航
- 汽車電子
- 歐美晶振
- Abracon晶振
- 康納溫菲爾德晶振
- 日蝕晶振
- ECS晶振
- 高利奇晶振
- 格林雷晶振
- IDT晶振
- JAUCH晶振
- Pletronics晶振
- 拉隆晶振
- Statek晶振
- SiTime晶振
- 維管晶振
- 瑞康晶振
- 微晶晶振
- AEK晶振
- AEL晶振
- Cardinal晶振
- Crystek晶振
- Euroquartz晶振
- Fox晶振
- Frequency晶振
- GEYER晶振
- KVG晶振
- ILSI晶振
- Mmdcomp晶振
- MtronPTI晶振
- QANTEK晶振
- QuartzCom晶振
- Quarztechnik晶振
- Suntsu晶振
- Transko晶振
- Wi2Wi晶振
- ACT晶振
- MTI-milliren晶振
- Lihom晶振
- Rubyquartz晶振
- Oscilent晶振
- SHINSUNG晶振
- ITTI晶振
- PDI晶振
- IQD晶振
- Microchip晶振
- Silicon晶振
- Anderson晶振
- Fortiming晶振
- CORE晶振
- NIPPON晶振
- NIC晶振
- QVS晶振
- Bomar晶振
- Bliley晶振
- GED晶振
- FILTRONETICS晶振
- STD晶振
- Q-Tech晶振
- Wenzel晶振
- NEL晶振
- EM晶振
- PETERMANN晶振
- FCD-Tech晶振
- HEC晶振
- FMI晶振
- Macrobizes晶振
- AXTAL晶振
- Sunny晶振
- ARGO晶振
- 石英晶體振蕩器
- 有源晶振
- 溫補晶振
- 壓控晶振
- 壓控溫補晶振
- 恒溫晶振
- 差分晶振
常見問題
更多>>
AUCH集團是石英晶體、石英晶體振蕩器和電池技術的主要專家之一.公司成立于1954年,現在是頻率控制產品行業的龍頭企業之一,電池解決方案具有高技術要求的現代電池裝配線,可確保為醫療、家用和花園設備、移動電話、移動交通和汽車行業生產單個電池組.我們在子公司JAUCH Quartz France、JAUCH Quartz United Kingdom和JAUCH Quartz America的優秀員工開發和銷售開拓性的技術解決方案.
我們希望在質量和業務方面成為國際領先的石英晶振公司.因此,我們仍然是一個有吸引力和可靠的雇主,并且是一個先進且持續成功的公司. 我們的基本原則,包括我們的雇員的安全和健康,童工,歧視,公平薪酬,腐敗,賄賂以及環境保護,都在JAUCH集團的行為準則中得到了支持.在良好的商業關系基礎上,我們期望每個參與公司成功的人都能遵守這些行政原則.

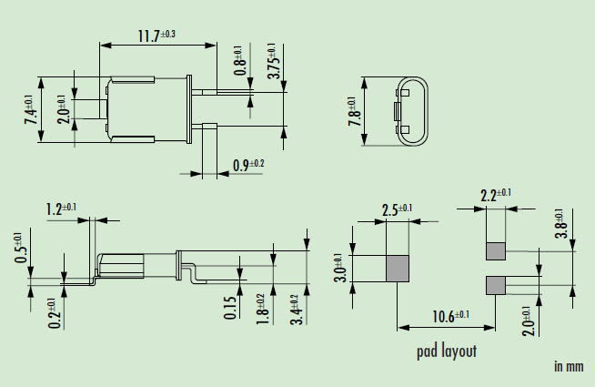
JAUCH晶振,石英晶振,MQ1-SMC晶振,引腳焊接型石英晶體元件.工廠倉庫長時間大量庫存常用頻點,.高精度的頻率和晶振本身更低的等效串聯電阻.常用負載電容,49/U石英晶振,因插件型鏡頭成本更低和更高的批量生產能力.主要應用于電視,機頂盒,LCDM和游戲機家用常規電器數碼產品等的最佳選擇.符合RoHS/無鉛.
|



使用環境(溫度和濕度)
請在規定的溫度范圍內使用耐高溫晶振.這個溫度涉及本體的和季節變化的溫度.在高濕環境下,會由于凝露引起故障.請避免凝露的產生.JAUCH晶振,石英晶振,MQ1-SMC晶振
激勵功率
在晶體單元上施加過多驅動力,會導致石英晶振特性受到損害或破壞.電路設計必須能夠維持適當的激勵功率 (請參閱“激勵功率”章節內容).
負極電阻
除非振蕩回路中分配足夠多的負極電阻,否則振蕩或振蕩啟動時間可能會增加(請參閱“關于振蕩”章節內容).MQ1-SMC晶振,金屬殼49U晶振,插件石英晶振
負載電容
振蕩電路中負載電容的不同,可能導致振蕩頻率與設計頻率之間產生偏差.試圖通過強力調整,可能只會導致不正常的振蕩.在使用之前,請指明該振動電路的負載電容(請參閱“負載電容”章節內容).
晶體振蕩器和實時時鐘模塊
所有石英晶體振蕩器和實時時鐘模塊都以IC形式提供.

JAUCH晶振公司遵守所有適用的有關環境、健康和安全的法律和法規以及公司自己的有關環境、工業衛生和安全的方針和承諾.與我們的員工一起開創并保持一個免于事故的工作場所.重視插件晶體生產過程中污染預防,消除偏離程序的行為強調通過員工努力這一最可行的方法持續改進我們經營活動的環境績效. 將持續的環境、健康和安全方面的改進、污染預防和員工的努力納入日常運行當中.遵守環境相關的法令、條例、限制、協定及其他要求事項,環境負荷的降低和污染的防止努力.MQ1-SMC晶振,金屬殼49U晶振,插件石英晶振
JAUCH晶振,作為全球企業可持續的社會的實現,集團一體推進地球環境保全活動.推進了環境考慮的49U插件晶體產品和服務的產品和服務.保護人群及財產與環境.加強污染防治,減少現有的污染廢棄物以及在未來生產制造中所產生的污染.與采購單位、供應商等的客戶合作,溫室效應氣體削減,資源的有效利用,努力對晶振,石英晶振的化學物質的管理強化等.JAUCH晶振,石英晶振,MQ1-SMC晶振
JAUCH晶振工廠、辦公室節能、省資源、資源循環、化學物質的合理管理推動,地球溫暖化防止及循環型社會的實現貢獻.為了提供社會,努力維護地球環境.為確保安全、提高保護預防措施、49U插件晶振產品的可靠性以及職業安全,確保職業健康與環境的優越性,通過正式的管理評審和對健康、安全和環境實施效果的持續改進,


深圳市兆現電子有限公司
聯系人:龔成
電話:0755--27876236聯系人:龔成
QQ:769468702
手機:13590198504
郵箱:zhaoxiandz@163.com
網站:http://www.aussielandgroup.com/